BIQU/必趣 H2 V2S LITE:镂空机械设计。超大流量45mm³/s,重量超轻175g。 超轻重量:175 克。最高打印温度:270°C - NTC 限制(钛合金热分解高达 500°C),高流速打印:从 15mm³/s 提升到 45mm³/s。镂空、金属设计、完全机械优化。纳米涂层挤压齿轮。增强的耐磨性和耐腐蚀性。带张紧器的灯丝释放杆使灯丝更换变得轻而易举。
![[视频] BIQU H2 V2S LITE 直驱/近程挤出机 镂空机械设计 超轻和超高挤出流量 [视频] BIQU H2 V2S LITE 直驱/近程挤出机 镂空机械设计 超轻和超高挤出流量](https://s3b.cn/wp-content/uploads/2023/03/Q001.png)
更轻更好的散热
H2 V2S Lite采用镂空设计,内部结构一目了然,重量仅为175g,惯性更小,定位更精准。
![[视频] BIQU H2 V2S LITE 直驱/近程挤出机 镂空机械设计 超轻和超高挤出流量 [视频] BIQU H2 V2S LITE 直驱/近程挤出机 镂空机械设计 超轻和超高挤出流量](https://s3b.cn/wp-content/uploads/2023/03/Q002.jpg)
快速冷却
同时,气流也得到改善,以提供更好的散热效果。加上散热器和风扇,H2 V2S Lite 实现了高效冷却。
![[视频] BIQU H2 V2S LITE 直驱/近程挤出机 镂空机械设计 超轻和超高挤出流量 [视频] BIQU H2 V2S LITE 直驱/近程挤出机 镂空机械设计 超轻和超高挤出流量](https://s3b.cn/wp-content/uploads/2023/03/Q003.jpg)
更高的流量。更快的打印
使用 0.6mm 黄铜喷嘴和更长的加热块,H2 V2S Lite 可以输出 45mm³/s 以满足更快的打印需求。
![[视频] BIQU H2 V2S LITE 直驱/近程挤出机 镂空机械设计 超轻和超高挤出流量 [视频] BIQU H2 V2S LITE 直驱/近程挤出机 镂空机械设计 超轻和超高挤出流量](https://s3b.cn/wp-content/uploads/2023/03/Q004.jpg)
省力杠杆
升级版杠杆,省力便捷的设计,无需在插入或取出灯丝时持续握住手柄。
![[视频] BIQU H2 V2S LITE 直驱/近程挤出机 镂空机械设计 超轻和超高挤出流量 [视频] BIQU H2 V2S LITE 直驱/近程挤出机 镂空机械设计 超轻和超高挤出流量](https://s3b.cn/wp-content/uploads/2023/03/Q005.jpg)
快速分离隔热
现在,通过快速拆卸设计,您只需使用六角扳手即可拆除热断路,使维护变得更加轻松和方便。
![[视频] BIQU H2 V2S LITE 直驱/近程挤出机 镂空机械设计 超轻和超高挤出流量 [视频] BIQU H2 V2S LITE 直驱/近程挤出机 镂空机械设计 超轻和超高挤出流量](https://s3b.cn/wp-content/uploads/2023/03/Q006.jpg)
双齿轮进给
采用双齿轮系统,可提供出色的推力,确保进给顺畅并快速收回。
![[视频] BIQU H2 V2S LITE 直驱/近程挤出机 镂空机械设计 超轻和超高挤出流量 [视频] BIQU H2 V2S LITE 直驱/近程挤出机 镂空机械设计 超轻和超高挤出流量](https://s3b.cn/wp-content/uploads/2023/03/Q007.jpg)
可调长丝加载张力
只需旋转张力螺杆即可适应不同的耗材,提高打印成功率。
![[视频] BIQU H2 V2S LITE 直驱/近程挤出机 镂空机械设计 超轻和超高挤出流量 [视频] BIQU H2 V2S LITE 直驱/近程挤出机 镂空机械设计 超轻和超高挤出流量](https://s3b.cn/wp-content/uploads/2023/03/Q008.jpg)
广泛的兼容性
它可以与 BIQU B1、BIQU BX Ender-3、Voron 2.4、Voron V0 和 Vzbot 协作。
![[视频] BIQU H2 V2S LITE 直驱/近程挤出机 镂空机械设计 超轻和超高挤出流量 [视频] BIQU H2 V2S LITE 直驱/近程挤出机 镂空机械设计 超轻和超高挤出流量](https://s3b.cn/wp-content/uploads/2023/03/Q009.png)
盒子里有什么东西
它包括挤出机、用户手册、冷却风扇、电缆、螺丝等。
![[视频] BIQU H2 V2S LITE 直驱/近程挤出机 镂空机械设计 超轻和超高挤出流量 [视频] BIQU H2 V2S LITE 直驱/近程挤出机 镂空机械设计 超轻和超高挤出流量](https://s3b.cn/wp-content/uploads/2023/03/Q010.png)
细节成就完美- 铝合金外壳采用铝合金 H2 V2S Lite 制成,具有高耐用性、高强度、耐腐蚀性,最重要的是重量轻。
灯丝驱动齿轮- 由镀有纳米涂层的工具钢制成,以提高硬度、耐磨性、耐腐蚀性,并在打印研磨材料时提供更长的使用寿命。
惰轮臂- 由 7075 T6 铝制成,特殊混合高性能抗磨 Mos2 润滑脂,改善快拆杆触感并增强耐磨性。
隔热- H2 双金属(铜合金 + 5 级钛合金)。散热片预涂高性能导热硅脂,增加散热片与散热片之间的导热系数,提高散热性能
更多安装孔- 4 个螺丝安装孔可用于安装自动调平传感器冷却箱。
![[视频] BIQU H2 V2S LITE 直驱/近程挤出机 镂空机械设计 超轻和超高挤出流量 [视频] BIQU H2 V2S LITE 直驱/近程挤出机 镂空机械设计 超轻和超高挤出流量](https://s3b.cn/wp-content/uploads/2023/03/Q011.png)
(注:喷头为定制款)
![[视频] BIQU H2 V2S LITE 直驱/近程挤出机 镂空机械设计 超轻和超高挤出流量 [视频] BIQU H2 V2S LITE 直驱/近程挤出机 镂空机械设计 超轻和超高挤出流量](https://s3b.cn/wp-content/uploads/2023/03/Q012.jpg)
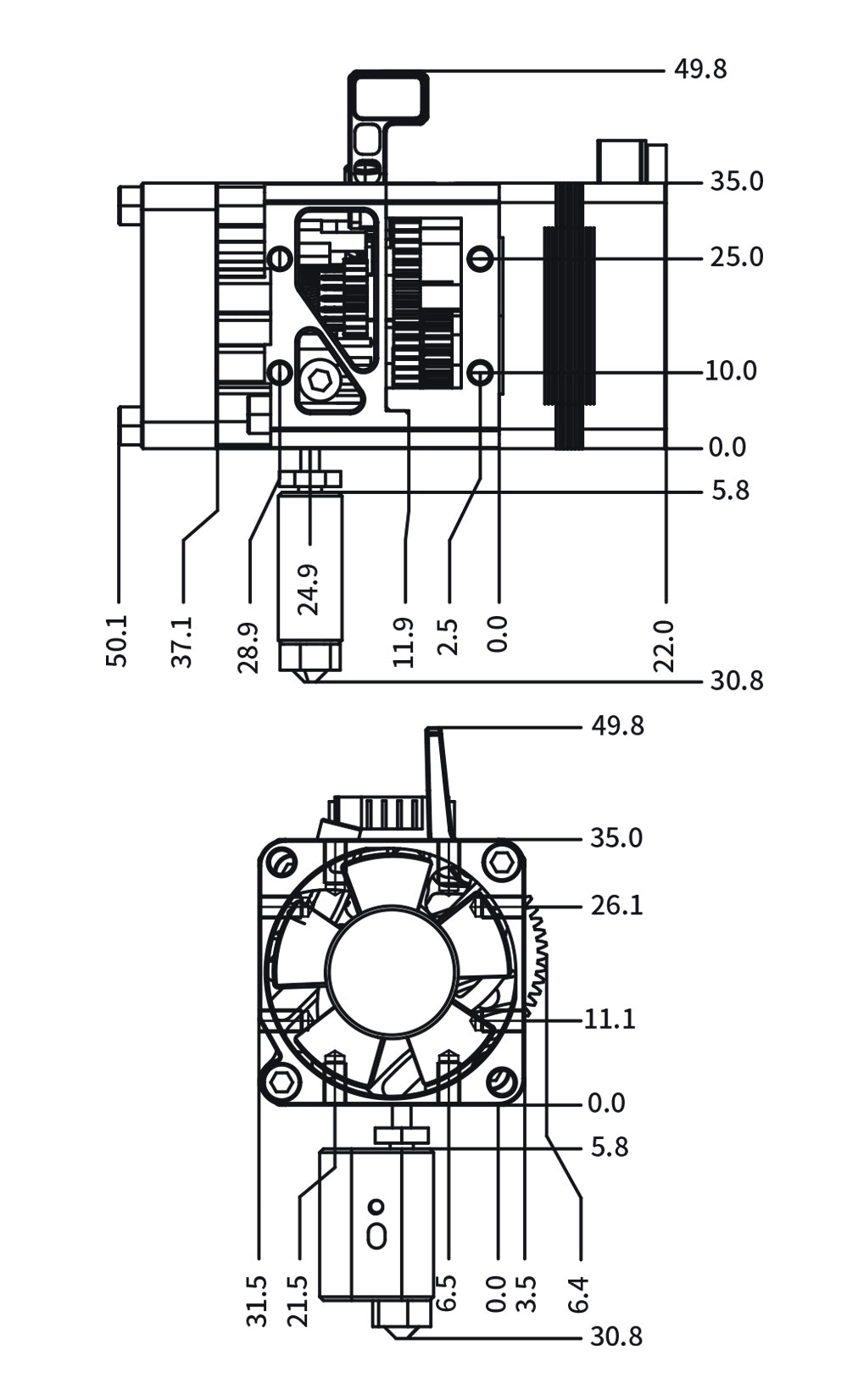
尺寸和规格
挤压方式:双齿轮挤压
最高印刷温度:270℃
重量:175g(包括加热器芯、热敏电阻和风扇)
最大挤压力:7.5kg(取决于灯丝)
挤压(基于现有):2700mm 3/min(取决于灯丝)
E步:16 微步时为 932/mm(建议进一步校准)
旋转距离:3.433
推荐电机电流:800毫安
传动比:7:1
传动齿轮周长:24.5毫米
灯丝直径和公差:1.75±0.05mm
热敏电阻类型:NTC100K
加热棒功率:70W
加热棒电压:24V
*注意:与标准 NEMA14 电机不兼容。
点击下载:
发布日期: 2022年9月
【特别声明】本站部分内容来源于互联网,仅供个人用于学习、研究,不得用于商业用途。如有关于文章内容、版权或其它问题请及时联系我们修正或删除(微信:18923725282 / 邮箱:454884888@qq.com)。 如若转载,请注明出处:https://s3b.cn/biqu-h2-v2s-lite/
共有 0 条评论